Обратимая электрическая машина
Обратимая электрическая машина
Обратимая электрическая машина
Обратимая электрическая машина
Обратимая электрическая машина
Обратимая электрическая машина

Обратимая электрическая машина

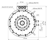
Обратимая электромашина на постоянных магнитах. В двигательном режиме развивает мощность до 75 кВт, в генераторном режиме - до 60 кВт. Идеально подходит для гибридных транспортных средств, спецтехники и сельхозтехники.

Цена по запросу

Синхронные двигатели с возбуждением от постоянных магнитов, это электромашины, в которых для создания потока возбуждения вместо обмотки возбуждения применяют постоянные магниты, размещенные на роторе. В результате отпадает необходимость в контактных кольцах и машина становится бесконтактной. Такой тип электромашин широко используется как в качестве генераторов, так и в качестве двигателей. Простота конструкции, обусловленная отсутствием скользящих контактов и обмотки возбуждения, а также высоких КПД, обеспечиваемый благодаря отсутствию потерь на возбуждение и трение в скользящих контактах, делают возможным применение данного типа электромашин в различных областях промышленности, где высокие удельные характеристики, пространство и вес имеют решающее значение, включая ОПК, тяжелое машиностроение, автомобильную и морскую отрасли.

Обратимая электрическая машина идеально подходит для гибридных транспортных средств, спецтехники и сельхозтехники.

Удельная мощность 1,7 кВт/кг;

Компактные габаритные размеры.

  • Мощность: 75 кВт
  • Напряжение: 454 В
  • Ток: 99 А
  • Частота: 500 Гц
  • Коэффициент полезного действия, не менее: 93%
  • Частота вращения: 3000 об/мин
  • Максимальный момент: 430 Нм
  • Максимальный ток: 238 А
  • Диапазон рабочих температур: -60...+60
  • Класс изоляции: Н
  • Режим работы по ГОСТ IEC 60034-1: S1 (продолжительный)
  • Степень защиты: IP67
  • Система охлаждения: жидкостная
  • Масса: 45 кг

НЕ НАШЛИ ТО, ЧТО ИСКАЛИ?
СВЯЖИТЕСЬ С НАМИ, МЫ ВАМ ПОМОЖЕМ!

Заполните форму и мы свяжемся с Вами в ближайшее время